Barnes 4WD
Adjustable Combination Link Bracket Kit
B4WK12690Couldn't load pickup availability
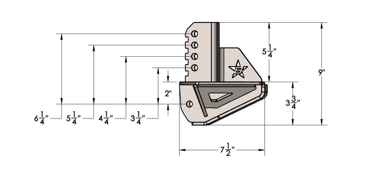
Combination brackets are a go to for many builders because of their strength and ease of installation. With this option the lower and upper chassis side brackets are packaged together and tied to the chassis with up to 21” of total weld length. During installation the lower bracket angle can be set, and the upper angle can be set individually with a total triangulation compacity ranging from 0 to 40 degrees per side. This feature enables this bracket to be used in parallel 3 or 4 link applications and triangulated 4 link applications. A track bar is needed in parallel 3 and 4 link applications.
Mounting Width (Upper & Lower): 2 5/8"
Bolt Hole Size (Upper & Lower): 9/16"




